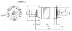
高速スピンドル HSK-E25
| 最高回転数 | 40,000 min-1 |
|---|---|
| 潤滑方式 | オイルエアー |
| ベアリング | 窒化珪素セラミックス |
| ベアリング与圧 | 定圧バネ与圧方式 |
| ツールサイズ | HSK-E25 |
| ツールアンクランプ方式 | 空圧駆動 |
| モータ | FANUC ビルトインモータ |
用途・特徴
FANUCのNCコントローラーと連動し、高速切削加工とタッピング加工が両立できます。
微細エンドミルを使った金型加工や高速加工専用機に最適なスピンドルです。
特にCBN小径ボールエンドミルによる焼入れ鋼やダイヤモンド工具による超硬合金の仕上げ切削加工にも対応できます。


オイルエアー装置
高速スピンドルの潤滑にはオイルエアーを使用します。

- お問い合わせ